ระบบเรียงกระแส ESB ขนาด 48VDC200A ได้รับการปรับแต่งเป็นพิเศษสำหรับโครงการปรับปรุงระบบสถานีฐานโทรคมนาคมในอเมริกาใต้ ระบบที่ทนทานนี้จ่ายพลังงานที่จำเป็นให้กับอุปกรณ์ภายในสถานี ทำให้มั่นใจได้ว่าจะทำงานได้อย่างต่อเนื่องแม้ในสภาวะที่ท้าทาย จึงช่วยเพิ่มเสถียรภาพให้กับบริการสื่อสาร
ภาพรวมระบบ
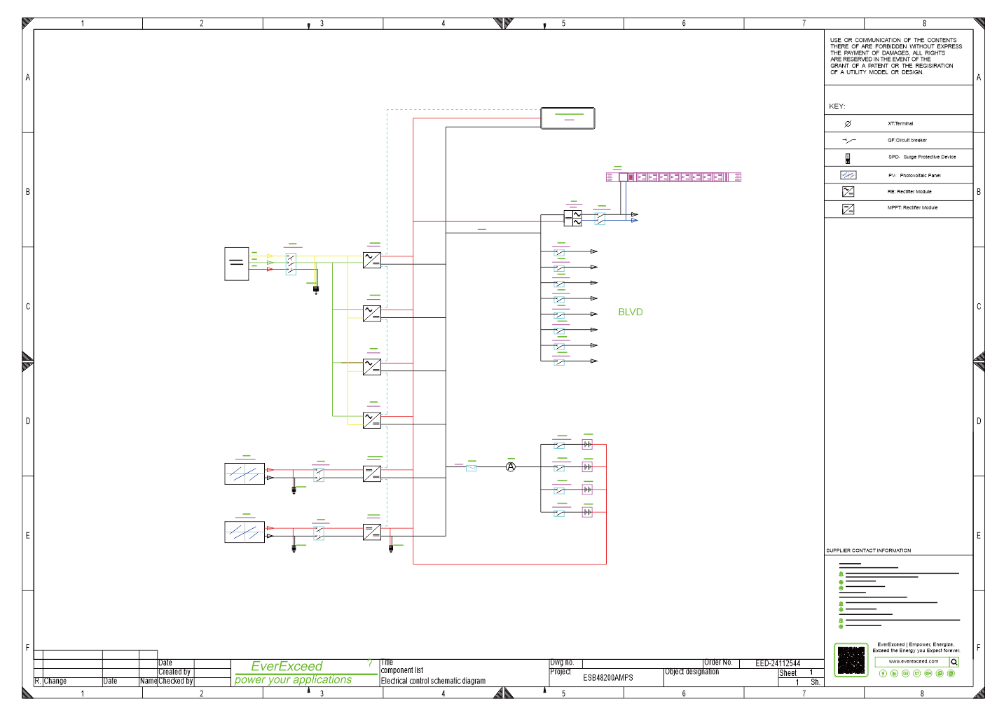
ระบบเรียงกระแสโทรคมนาคมซีรีส์ ESB ที่ได้รับการปรับแต่งตามความต้องการ ได้รับการออกแบบภายใต้แนวคิด "ระบบจ่ายไฟสถานีฐานแบบรวมฟังก์ชันหลากหลาย" โดยประกอบด้วยโมดูลเรียงกระแส โมดูล MPPT พลังงานแสงอาทิตย์ อินเวอร์เตอร์ แบตเตอรี่ลิเธียม โมดูลตรวจสอบ PDU (หน่วยจ่ายไฟ) และตู้สถานีฐาน รวมอยู่ในแพลตฟอร์มเดียว
| ข้อมูลจำเพาะทั่วไป | ข้อมูลจำเพาะทั่วไป | |
| แบบอย่าง | ESB48VDC200A |
|
| อุณหภูมิการทำงาน | -10°C ถึง +45°C | |
| อุณหภูมิในการจัดเก็บ | -25°C~70°C(ไม่รวมแบตเตอรี่) | |
| ความชื้นสัมพัทธ์ | ความชื้น 5%~95% RH (ไม่มีการควบแน่นของความชื้น) | |
| ระดับความสูง | สูงสุด 2,000 เมตร โดยไม่ลดระดับ | |
| พัดลมระบายความร้อน | 21 วัตต์*2 | |
| ระดับการป้องกัน IP | IP20 | |
| ขนาด(มม.) | W600*D900*H2000 | |
จุดเด่นของการออกแบบ
ทั้งหมดในหนึ่งเดียว: ตู้นี้ผสานรวมอย่างมีประสิทธิภาพ เหมาะอย่างยิ่งสำหรับความต้องการของเครือข่ายการสื่อสารที่ต้องการการติดตั้งอย่างรวดเร็ว การดำเนินงานที่มีประสิทธิภาพ และการขยายระบบที่ยืดหยุ่น
การออกแบบการตรวจสอบเบรกเกอร์วงจร: ผสานรวมกลไกการป้องกันที่หลากหลาย (โอเวอร์โหลด, ไฟฟ้าลัดวงจร, แรงดันไฟต่ำ) เพื่อตรวจสอบสถานะและพารามิเตอร์ของเซอร์กิตเบรกเกอร์แบบเรียลไทม์ รองรับการจัดการระยะไกลเพื่อตรวจจับข้อบกพร่องที่อาจเกิดขึ้นได้ตั้งแต่เนิ่นๆ
การออกแบบระบบจ่ายไฟฟ้าหลายระบบ: ผสมผสานพลังงานไฟฟ้ากระแสตรง แบตเตอรี่สองทิศทาง และระบบจ่ายไฟ PV เข้าด้วยกัน พร้อมระบบป้องกันไฟกระชาก ระบบจ่ายไฟ DC ประกอบด้วย BLVD เพื่อป้องกันแบตเตอรี่คายประจุมากเกินไป ช่วยยืดอายุการใช้งานแบตเตอรี่
การออกแบบโมดูลแบบ Hot-Swappable: โมดูลแบบถอดเปลี่ยนได้ขนาด 1U รองรับการถอดเปลี่ยนแบบออนไลน์ ช่วยให้มั่นใจได้ว่ามีการจ่ายไฟให้กับแบตเตอรี่และโหลดอย่างต่อเนื่อง โมดูลเหล่านี้มีฟังก์ชันการแบ่งปันกระแสไฟฟ้าอัจฉริยะ การสำรองไฟสำรอง และการปรับกำลังไฟฟ้าขาออกที่ยืดหยุ่น
ระบบการตรวจสอบแบบรวมศูนย์: ระบบตรวจสอบ FSU ในตัวพร้อมสถาปัตยกรรม B/S รองรับการเข้าถึงเครือข่าย ตรวจสอบโมดูลเรกติไฟเออร์ โมดูล PV MPPT อินเวอร์เตอร์ และแบตเตอรี่ลิเธียมแบบรวมศูนย์ มอบอินเทอร์เฟซผู้ใช้ที่หลากหลายและประสบการณ์แบบอินเทอร์แอคทีฟ
การออกแบบการป้องกันไฟกระชาก: ติดตั้งด้วย AC SPD, PV SPD และ DC SPD (อุปกรณ์ป้องกันไฟกระชาก) พร้อมฟิวส์แบบฮอตสวอปเพื่อการเปลี่ยนที่ง่ายดาย ช่วยปกป้องอุปกรณ์จากฟ้าผ่าและแรงดันไฟฟ้าเกินชั่วขณะได้อย่างมีประสิทธิภาพ
สแกนไปที่ WeChat:everexceed
